A Design Approach to IoT Endpoint Security for Production Machinery Monitoring

Date published

Free to read from

Authors

Tedeschi, Stefano
Emmanouilidis, Christos
Mehnen, Jörn
Roy, Rajkumar

Supervisor/s

Journal Title

Journal ISSN

Volume Title

Department

Course name

ISSN

Format

Citation

Tedeschi, Stefano; Emmanouilidis, Christos; Mehnen, Jörn; Roy, Rajkumar (2019). A Design Approach to IoT Endpoint Security for Production Machinery Monitoring. Cranfield Online Research Data (CORD). Software. https://doi.org/10.17862/cranfield.rd.8143340

Abstract

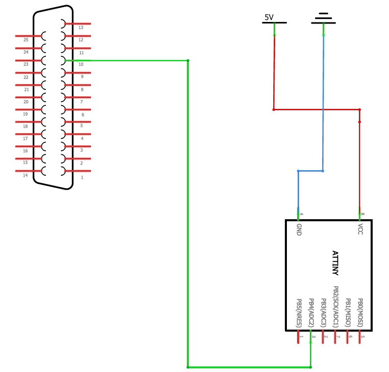
The Internet of Things (IoT) has significant potential in upgrading legacy production machinery with monitoring capabilities to unlock new capabilities and bring economic benefits. However, the introduction of IoT at the shop floor layer exposes it to additional security risks with potentially significant adverse operational impact. This project addresses such fundamental new risks at their root by introducing a novel endpoint security by design approach. The approach is implemented on a widely applicable production machinery monitoring application by introducing real time adaptation features for IoT device security through subsystem isolation and a dedicated lightweight authentication protocol.

Description

Software Description

Software Language

Github

Keywords

'Industrial IoT', 'Cyber security', 'production machinery', 'Condition monitoring', 'Networking and Communications'

DOI

10.17862/cranfield.rd.8143340

Rights

CC BY 4.0

Funder/s

EP/I033246/1

Relationships

Resources